搜索
您现在的位置Where you are: 首页 Home page → 产品中心 Products → 可控硅触发器 ->SW03A
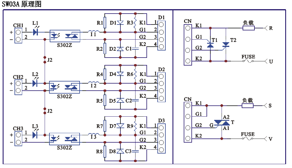
系列图像:仅作参考
了解产品选型
想了解更多产品和服务信息 ? Email this page
产品介绍
Product Categories
产品选型
资料下载
客服1
邮箱Email:info@huayunzn.com
咨询热线Hotline:15986727003